Danh mục sản phẩm
- Servo Delta (1090)
- PLC Siemens (1451)
- PLC Mitsubishi (1233)
- PLC Board (19)
- HMI Siemens (136)
- Biến tần Siemens (526)
- Omron (13)
- Servo Mitsubishi (1404)
- Servo Yaskawa (754)
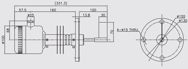
Báo mức Parker JC7-ST-300mm
SKU: JC7-ST-300mm
Hãng sản xuất: Parker
Chất lượng: Mới 100%
Bảo hành: Chính hãng
Chứng từ: CO/CQ, hóa đơn VAT
JC7-ST-300mm
Mô tả
– Báo mức JC7 – ST là dòng báo mức thể rắn, kích thước nhỏ gọn, dễ dàng lắp đặt, tiết kiệm diện tích, làm việc chính xác, độ bền cao.
– Báo mức JC7 – ST thường sử dụng báo mức cho vật liệu dưới dạng bột, hạt, tấm, cám, thức ăn gia súc, cát, sỏi, đá….. cho các bình chứa, bể chứa, tank và silo.


► Manual-Bao-muc-Parker
Parker
110V, 220V
1 Năm


